
|
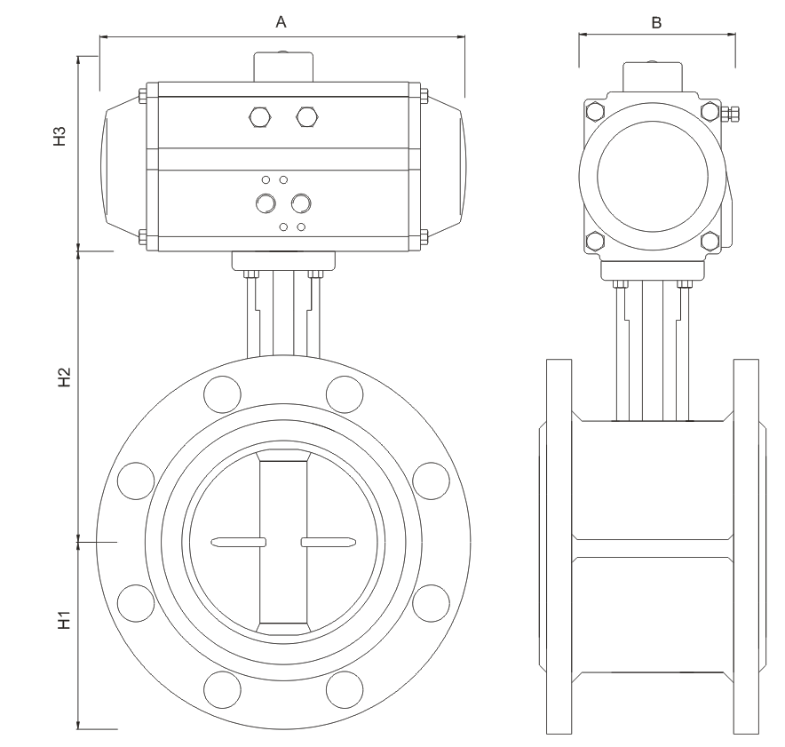
氣動蝶閥是以壓縮空氣為動力(正常情況下供氣壓力為0.4~0.6MPa),通過活塞齒條與齒輪的機械傳動, |
||||||||||||||||||||||||||||||||||||||||||||||||||||||||||||||||||||||||||||||||||||||||||
| 來帶動閥軸和閥板0-90°的旋轉即閥門開啟關閉。 | ||||||||||||||||||||||||||||||||||||||||||||||||||||||||||||||||||||||||||||||||||||||||||
| 采用新型系列GT型氣動執行器,有雙作用式和單作用式(彈簧復位),齒輪傳動,安全可靠; | ||||||||||||||||||||||||||||||||||||||||||||||||||||||||||||||||||||||||||||||||||||||||||
| 大口徑閥門采用系列AW型氣動執行器拔叉式傳動,結構合理,輸出扭矩大,有雙作用式和單作用式 | ||||||||||||||||||||||||||||||||||||||||||||||||||||||||||||||||||||||||||||||||||||||||||
| 1、氣動蝶閥齒輪式雙活塞,輸出力矩大,體積小。 | ||||||||||||||||||||||||||||||||||||||||||||||||||||||||||||||||||||||||||||||||||||||||||
| 2、氣缸選用鋁金材料,重量輕、外形美觀。 | ||||||||||||||||||||||||||||||||||||||||||||||||||||||||||||||||||||||||||||||||||||||||||
| 3、可在頂部、底部安裝手動操作機構。 | ||||||||||||||||||||||||||||||||||||||||||||||||||||||||||||||||||||||||||||||||||||||||||
| 4、齒條式連接可調節開啟角度、額定流量。 | ||||||||||||||||||||||||||||||||||||||||||||||||||||||||||||||||||||||||||||||||||||||||||
| 5、蝶閥執行器可選帶電訊號反饋指示及各類附件以實現自動化操作。 | ||||||||||||||||||||||||||||||||||||||||||||||||||||||||||||||||||||||||||||||||||||||||||
| 6、IS05211標準連接為產品的安裝更換提供了方便。 | ||||||||||||||||||||||||||||||||||||||||||||||||||||||||||||||||||||||||||||||||||||||||||
| 7、中間的調節螺釘可使標準產品在0°和90°有±4°的可調范圍。確保與閥門的同步精度。 | ||||||||||||||||||||||||||||||||||||||||||||||||||||||||||||||||||||||||||||||||||||||||||
| 主要附件: | ||||||||||||||||||||||||||||||||||||||||||||||||||||||||||||||||||||||||||||||||||||||||||
|
(氣動蝶閥的附件主要有:電磁閥,定位器、增壓閥、保位閥、減壓閥、過濾器、油霧器、位置反饋器、離合式手操機構。
|
版權所有?2014 浙江巴爾閥門有限公司 www.longines-longiness.cn 浙ICP備14030678號
浙公網安備 33039902000176號
地址:浙江省溫州市龍灣區溫州經濟技術開發區茶花路36號 電話:86-0577-86811508 傳真:86-0577-86811508
技術支持:萬豪科技